Замена радиатора и вентилятора охлаждения двигателя. Замена радиатора и вентилятора системы охлаждения
- Замена радиатора и вентилятора охлаждения двигателя. Замена радиатора и вентилятора системы охлаждения
- Замена радиатора кондиционера Ларгус. Радиатор Лада Ларгус
- Замена радиатора охлаждения
- Замена радиатора печки без снятия панели
- Замена радиатора охлаждения ВАЗ 2114. Замена радиатора охлаждения ВАЗ 2113, 2114, 2115
- Замена радиатора Ларгус. Ремонт и замена радиатора на Лада Ларгус
- Замена радиатора охлаждения Рено Сандеро. Замена радиатора охлаждения на Рено Сандеро
Замена радиатора и вентилятора охлаждения двигателя. Замена радиатора и вентилятора системы охлаждения
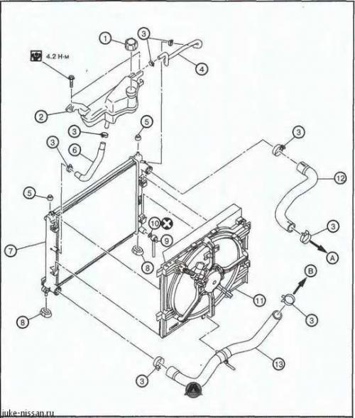
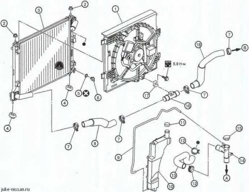
Снятие Не снимать пробку радиатора на горячем двигателе. Нагретая охлаждающая жидкость, вырвавшаяся под высоким давлением из радиатора, может нанести серьёзные ожоги. Обернуть крышку толстой материей. Сначала повернуть пробку на четверть оборота, чтобы снизить давление в системе. Осторожно снять крышку, откручивая её полностью. Двигатели HR15DE и HR16DE 1. Слить охлаждающую жидкость из радиатора. Этот этап выполняется на холодном двигателе. Не допускать попадания охлаждающей жидкости на ремень привода навесного оборудования. 2. Снять впускной воздуховод. 3. Снять расширительный бачок: • Отсоединить шланг расширительного бачка. • Отцепить шпонку (А) в направлении, указанной на рисунке черной стрелкой 1. Примечание Белая стрелка указывает переднюю часть автомобиля. • Поднять и снять расширительный бачок в направлении черной стрелки 2. 4. Снять верхний и нижний шланги радиатора. 5. Отсоединить электрический разъем от мотора вентилятора и отвести провода в сторону. 6. Снять вентилятор радиатора в сборе. Соблюдать осторожность, чтобы не повредить сердечник радиатора 7. Снять следующие части: • Решетку радиатора в сборе. • Облицовку переднего бампера. • Правую и левую комбинированные фары головного освещения. 8. Снять верхнюю опору радиатора. 9. Снять радиатор через низ автомобиля. Соблюдать осторожность, чтобы не повредить сердечники радиатора и конденсатора. Двигатель MR16DDT 1 . Слить охлаждающую жидкость из радиатора. Этот этап выполняется на холодной донга геле. Не допускать попадания охлаждающей жидкости на ремень привода навесного оборудования. 2. Снять декоративную крышку двигателя. 3. Снять защитный поддон двигателя. 4. Снять верхний и нижний шланги радиатора. 5. Снять передний бампер. 6. Снять верхнюю опору радиатора. 7. Отсоединить электрический разъем вентилятора радиатора. 8. Снять расширительный бачок. 9. Снять вентилятор радиатора в сборе. Соблюдать осторожность, чтобы но повредить сердечник радиатора. 10 . Снять конденсатор с радиатора и зафиксировать его на кузове автомобиля при помощи веревок. 11. Потянуть вверх и извлечь радиатор в сборе (1). Соблюдать осторожность, чтобы не повредить сердечники радиатора и конденсатора.
1. Шланг расширительного бачка. 2. Верхний упругий элемент, 3. Крышка радиатора 4. Радиатор 5. Нижний упругий элемент, 6. Уплотнительное кольцо; 7, Пробка сливного отверстия. 8. Хомут 9. Нижний шланг радиатора. 10. Вентилятор радиатора в сборе. 11. Верхний шланг радиатора. 12. Расширительный бачок 13. Крышка расширительного бачка. А - К выводному патрубку (выходу) системы охлаждения. В. К входу системы охлаждения. 
1. Вентилятор радиатора в сборе 2. Верхние упругие элементы. 3. Радиатор. 4. Нижние упругие элементы. 5. Уплотнительное кольцо. 6, Сливная пробка 7. Хомут 8. Нижний левый Штанг радиатора. 9. Шланг расширительного бачка. 10. Расширительный бачок. 11. Крышка расширительного бачка. 12. Хомут 13. Верхний шланг радиатора. 14. Переходник выводного патрубка системы охлаждения. 15. Крышка радиатора. 16. Патрубок шланга радиатора. 17. Кронштейн. 18. Нижний правый шланг радиатора. А- К выводно му патрубку (выходу) системы охлаждения. В. К входу системы охлаждения. 




Замена радиатора кондиционера Ларгус. Радиатор Лада Ларгус
В системе охлаждения мотора радиатор выполняет главенствующую функцию. От состояния этого узла напрямую зависит эффективность всего контура. Постоянное поддержание рабочей температуры хладагента в системе является залогом нормальной работы силового агрегата без создания рисков его перегрева.
Замена радиатора осуществляется по причине выхода его из строя. Такую необходимость может спровоцировать потеря герметичности узла или засорение его внутренних полостей трубок, что препятствует нормальной циркуляции антифриза и угрожает мотору перегревом. В охлаждающей системе Лада Ларгус присутствует радиатор нового поколения, который при появлении утечки ремонту не подлежит. Старые изделия обладали медными или латунными трубками и бачками, что позволяло прибегнуть к пайке при возникновении протечки жидкости. Современные радиаторные узлы выполнены из алюминиево-магниевых сплавов. Они обладают улучшенной способностью к теплоотводу, однако неремонтопригодные.
Еще одной и достаточно распространенной причиной, когда требуется замена детали, является факт окисления внутренних стенок. Это происходит в результате применения некачественного хладагента, а также несоответствия состава сплава, примененного производителем во время изготовления радиатора. Утечка на таком изделии может не происходить достаточно длительное время, а вот теплоотводящая способность будет снижена. Здесь снова возникает риск перегрева силовой установки.

Особенности и последовательность замены
Если радиатор автомобиля Лада Ларгус засорен, то можно предпринять попытку его промывки. Для этого потребуется демонтаж данного узла. Его также снимают с автомобиля с целью замены. Крепление радиатора не имеет никаких сложностей.
Далее рассмотрим последовательность манипуляций, которые потребуется владельцу совершить собственноручно, дабы радиатор был демонтирован, а затем новый аналог установлен.
- 1. Обеспечиваем меры безопасного осуществления мероприятия (активируем стояночный тормоз, даем мотору остыть и т. д.).
- 2. Демонтируем картерную защиту.
- 3. Затем придется снять бампер передка Лада Ларгус, поскольку компоновка подкапотного пространства такова, что не позволит извлечь радиатор без демонтажа этого кузовного компонента.
- 4. Переходим к сливу антифриза из охлаждающего контура. Пробки для слива не предусмотрены ни на блоке, ни на радиаторном узле. Для этого отжимаем хомут на нижнем патрубке радиатора и снимаем шланг со штуцера.
- 5. Жидкость собираем в подходящую тару.
Если автомобиль оснащен ГУР?
- Демонтируем бачок узла гидроусилителя вместе с кронштейном и подвязываем его к мотору.
- Отсоединяем весь перечень шлангов, примыкающих к радиатору.
Если присутствует кондиционер?

- Если ваше авто с кондиционером, то здесь потребуется открутить крепеж воздухоотражателя, после чего снимаем этот компонент.
- От электрического вентилятора отсоединяем разъем с проводами.
- Далее высвобождаем трубопровод системы кондиционирования из соответствующего держателя на каркасе вентилятора.
- Теперь понадобится открутить крепеж конденсора кондиционера от радиатора. Сам конденсор подвешиваем к верхней поперечине кузова.
- Демонтируем вентилятор LADA Largus. Здесь понадобится головка на «10».
- После того, как снято крепление радиатора, снимаем само изделие, предварительно отсоединив весь перечень подводящих патрубков.
- Монтаж радиатора начинаем с установки данного изделия в соответствующие монтажные крепления в подрамнике. Затем навешиваем кронштейны.
- Далее возвращаем на место вентилятор, не забыв подсоединить его привод к бортовой электрической сети.
- Присоединяем патрубки, которые фиксируем новыми хомутами.
- В модификации универсала с кондиционером, устанавливаем конденсор в соответствующее посадочное место на радиаторе.
- Монтируем воздухоотражатель LADA Largus и прикрепляем его к кузовным элементам.
- Теперь к держателям на каркасе электрического вентилятора присоединяем трубопроводы гидроусилителя и кондиционера. Также на прежнее место возвращаем бачок и кронштейн системы гидравлического усиления рулевого управления.
- Заливаем антифриз. Запускаем мотор, прогреваем его и проверяем работоспособность контура охлаждения и отопительной системы салона Лада Ларгус.
Замена радиатора охлаждения
Радиатор охлаждения двигателя:
Радиатор охлаждения двигателя в автомобиле предназначен для отвода тепла от двигателя в атмосферу. Радиатор является важнейшей частью системы охлаждения двигателя автомобиля. В современных автомобилях с автоматическими коробками передач ( АКПП ) радиаторы как правило двухконтурные. Второй контур служит для охлаждения трансмиссионного масла ( АКПП ). Для наилучшего теплообмена набегающими потоками воздуха радиаторы охлаждения устанавливают в передней части автомобиля. Что в свою очередь делает теплообмен с атмосферой наиболее эффективным, но в тоже время делает радиатор более уязвимым к механическим повреждениям. К таким повреждениям можно отнести атмосферные осадки, пыль, грязь, мошкара, мелкие камни поднимающиеся с проезжей части колёсами впереди идущих автомобилей. Таким образом радиатор охлаждения требует постоянного, пристального внимания к себе.
К сожалению автолюбители редко обращают внимание на состояние радиатора до тех пор пока не грянет беда. Именно из за повреждённого или загрязнённого радиатора происходит перегрев двигателя, что в свою очередь приводит к дорогостоящему ремонту или даже замене двигателя.
Диагностика неисправностей радиатора:
Самой главной проверкой системы охлаждения двигателя является контроль уровня охлаждающей жидкости в расширительном бачке. Основной проверкой радиатора является осмотр на предмет загрязнения его сот и каналов а также отсутствия механических повреждений. При загрязнении сот радиатора ухудшается теплообмен охлаждающей жидкости что неминуемо приводит к перегреву двигателя. Механические повреждения приводят к вытеканию охлаждающей жидкости из радиатора и образованию в системе охлаждения воздушных пробок.
Меры предосторожности:
ВАЖНО: Никогда не открывайте крышку радиатора на горячем или работающем двигателе- это приведёт к ожогам. Перед тем как открыть крышку радиатора нужно положить на неё кусок ткани сложенный в несколько слоёв. Не желательно для предотвращения течи из радиатора заливать в него различного рода присадки, так как это может привести не только к устранению течи но и к засорению всей системы охлаждения включая радиатор печки. Что в свою очередь повлечёт за собой дорогостоящий ремонт. Если устранить течь своими силами не удаётся то лучше всего прибегнуть к услугам эвакуатора. Это выйдет гораздо дешевле чем ремонтировать перегретый двигатель.
Устранение неисправностей:
Наш автосервис готов предоставить Вам услугу по замене радиатора охлаждения двигателя в Москве. При этом мы гарантируем высокий профессиональный уровень и ответственность наших мастеров а также максимально быстрые сроки выполнения и доступные цены на данную работу. При необходимости мы поможем подобрать Вам качественный и доступный по цене радиатор охлаждения. Узнать стоимость замены радиатора именно для Вашего автомобиля можно по телефону или оставив заявку на нашем сайте.
Стоимость замены радиатора охлаждения:
Alfa-Romeo:
147- 3500 руб. 156- 3500 руб.
Audi:
Уточняйте по телефону.
Bmw:
Уточняйте по телефону.
Chevrolet:
Citroen:
Berlingo- 2000 руб. C-crosser- 3000 руб. C-elyse- 2000 руб. C1- 2000 руб. C3- 2000 руб. C4- 2000 руб. C4 Picasso- 2000 руб. C5- 2000 руб. Xsara Picasso- 2000 руб. Jumper- 2500 руб. Jumpy- 1500 руб.
Daewoo:
Fiat:
Ducato- 3000 руб. Doblo- 3000 руб. Scudo- 4500 руб.
Ford:
Great Wall:
Hyundai:
Accent- 1500 руб. Elantra- 2000 руб. Getz- 2200 руб. Genesis- 3500 руб. Galloper- 2500 руб. Grandeur- 3500 руб. Matrix- 2500 руб. Santa fe- 3500 руб. Solaris- 1500 руб. Sonata- 2500 руб. Starex- 5500 руб. Terracan- 2500 руб. Tiburon- 2000 руб. Equus- 3000 руб. I20- 1500 руб. 2000 руб.
Kia:
Carens- 2500 руб. Carnival- 4500 руб. Ceed- 1500 руб. Cerato- 2000 руб. Mohave- 2000 руб. Optima- 1200 руб. Picanto- 1200 руб. Quoris- 1500 руб. Rio- 1500 руб. Sportage- 1800 руб. Soul- 1500 руб. Sorento- 2500 руб. Venga- 1200 руб.
Mazda:
Mitsubishi:
Nissan:
Opel:
Astra- 2500 руб. Corsa- 2200 руб. Insignia- 2500 руб. Meriva- 2500 руб. Movano- 2500 руб. 2500 руб.
Peugeot:
Renault:
Ксения Титова
Mazda 6 GJ
Помощник SEO
Плохо заводится, узнала, что нужно долго держать кнопку накала свечей перед заводкой.
Саша Якин
Kia Ceed
Юрист
После диагностики авто (у меня была тогда KIA Seed) был приятно удивлен, что не все так плохо, как мне сказали в другом сервисе.
Павел Прахов
Ford Focus
Программист
Наконец-то смог найти место, где мне понятным языком объяснили причины непонятного звука в двигателе и починили.
Замена радиатора печки без снятия панели
Итак, если в районе радиатора печки Вы обнаружили маслянистую жидкость – значит пора выполнить замену радиатора печки Вашей калины и сделать это желательно поскорее, пока течь не усилилась. Радиатор печки в Калине находится в центральной консоли, чуть ниже отсека для магнитолы, чуть правее и выше педали газа.
Сняв пластиковую накладку, Вы сможете увидеть поверхность радиатора и визуально оценить его состояние. Взгляните, на моей Калине после восьмой зимы радиатор печки выглядел так:
Штатный калиновский радиатор отопителя делают из дух материалов: пластика и алюминия. Зимой он испытывает большие перепады температуры, поэтому и подтекать радиатор начинает, обычно в холодное время года. На моей калине радиатор печки начал подкапывать уже на третьем году жизни, но это происходило так медленно, что я ничего не заметил.
Тосол проник внутрь ЭБУ и окислил плату, она замкнула, и машина перестала заводиться. Поставив новый ЭБУ (цена 5000 р.), я замотал его в полиэтилен (надо было сделать это еще на новой машине). Прошло еще 5 лет, окислы на торце радиатора становились все заметнее и вот прошлой зимой, первые капли антифриза упали на коврик с водительской стороны:
Думаю, все это время тосол очень медленно подтекал из радиатора в воздуховод, откуда успевал испаряться потоком воздуха. Позже, вынув родной радиатор печки Калины, я обнаружил под ним лужицу зеленого цвета:
Итак, увидев капли тосола, я понял, что откладывать ремонт печки больше нельзя. На весну я запланировал обязательную замену радиатора печки Калины и в ожидании начал изучать интернет в поисках информации.
Замена радиатора охлаждения ВАЗ 2114. Замена радиатора охлаждения ВАЗ 2113, 2114, 2115
В процессе эксплуатации транспортного средства возможны различные повреждения радиатора охлаждения, в результате которых происходит снижение уровня охлаждающей жидкости, что в свою очередь может привести к перегреву двигателя и дорогостоящему ремонту. Поэтому, если на ВАЗ 2113, 2114, 2115 необходима замена радиатора охлаждения, медлить не стоит – покупаем новый и выполняем ремонт своими руками, руководствуясь пошаговой инструкцией на фото и
Необходимые запчасти
Прежде всего, необходимо подобрать новый радиатор. Лучше приобретать аналог того, что стоит на вашем автомобиле. Также можно сделать выбор по артикулам: 2108-1301012, 21082-1301012, РО2108-01, LRc 01082.
Средняя цена нового узла – 1750 рублей. Медные модели обойдется дороже.
Необходимые для ремонта инструменты
Если вы хотите выполнить ремонт своими руками, вам нужно приготовить такие инструменты:
- ключи на 8 и 10;
- отвертки;
- головки на 8 и 10;
- плоскогубцы;
- емкость для слива антифриза;
- домкрат;
- герметик;
- ветошь.
Самостоятельные работы вполне оправданы, поскольку на 24 марта 2019 года средняя цена замены радиатора охлаждения ВАЗ 2114 и других моделей составляет 2,2 тысячи рублей. Что увеличит расходы более чем в 2 раза.
Порядок операций
Если у автомобиля низкая посадка или емкость для слива охлаждающей жидкости – большая, работы нужно начинать с подъема машины домкратом. Радиатор установлен на телевизоре вместе с противотуманными и обычными фарами. Работы нужно начинать только при холодном двигателе. Если мотор – горячий, обязательно дождитесь его остывания.
Теперь можно приступать к работе:
- Сняв с расширительно бочка пробку, сливается рабочая жидкость в емкость. Нужно слить весь антифриз, который есть в системе охлаждения.
- Теперь нужно демонтировать фильтр.
- Демонтировать радиатор необходимо вместе с электрическим вентилятором. Для этого нужно отсоединить питание кулера. Теперь нужно открутить прижимную пластину и снять ее.
- Теперь нужно снять подводящий и отводящий шланг с патрубков. Для этого ослабляется хомут крепежа.
Радиатор с вентилятором наклоняется к двигателю, и вынимается. Внимание! Прежде, чем вытягивать вентилятор, нужно разъединить провода. Они обычно расположены в нижней части устройства. Это необходимо для того, чтобы сохранить работоспособность проводки.
- Теперь нужно отсоединить вентилятор от радиатора. Для этого ключом на 10 откручиваются 2 гайки. Вентилятор нужно снять вместе с кожухом.
- Установка радиатора выполняется в порядке обратном вышеописанному. Начинается он с коммутации нового узла и вентилятора. Важно! Перед заменой следует убедиться, что есть 2 подушки из резины. Если их нет, установите новые в отверстия поперечины. Если они на месте, то установка нового агрегата выполняется именно на них.
- механические удары, например, отскочившие от колес мимо проезжающего транспорта камни;
- очаги коррозии и загрязнения внутри трубок;
- повреждения в аварии.
Главные причины неисправности радиатора
Наиболее частные причины выхода из строя радиатора на ВАЗ 2113, 2114, 2115 это:
Резюмируем
В целом ремонт вполне доступен для самостоятельного выполнения, но нужно сразу подготовиться к значительным временным затратам. Работы могут продолжаться в течение 2-6 часов. При замене радиатора нужно обязательно менять охлаждающую жидкость. Работы с 8-клапанным и 16-клапанным движком выполняются аналогично. Если в автомобиле есть кондиционер, то придется во время ремонта снимать и устанавливать и его, но не на всех моделях. Целесообразно одновременно заменить втулки. Работы завершаются проверкой функционала двигателя, и состояние охлаждающей жидкости. А именно – не закипает ли она.
Замена радиатора Ларгус. Ремонт и замена радиатора на Лада Ларгус
Радиатор Лады Ларгус – это основная часть системы охлаждения. Автомобиль оснащается алюминиевым теплообменником, который обеспечивает хорошую теплоотдачу и не дает двигателю перегреться. Со временем, он приходит в негодность, и автовладельцы задаются вопросом, можно ли его отремонтировать и как происходит процесс замены. Обо всем по порядку.
Можно ли починить потекший радиатор
Данная деталь ремонту не подлежит, поэтому ее рекомендуется менять во всех случаях. Тем не менее есть временные методики ремонта, которые помогут добраться до сервиса, чтобы заменить деталь на новую.
Методы ремонта:
- Использование порошковых герметиков;
- Пайка радиатора.
Порошковые герметики являются вредителями для системы охлаждения, но заделать небольшую пробоину ими можно.
Пробоина может образоваться на автомобилях без кондиционера при движении по трассе, а также от естественного старения пластиковой части радиатора.
Порошковый герметик добавляют в небольшом количестве в антифриз, и в результате химической реакции происходит восстановление пробитой части временной заплаткой.
После этого систему необходимо промыть, так как такой герметик засоряет каналы радиатора отопителя.
Алюминий пайке поддается плохо, но специальным сварочным оборудованием сделать это можно.
Чтобы запаять радиатор, необходимо вначале его с автомобиля демонтировать. Затем место пайки зачищается и производится соответствующий ремонт.
Как снять радиатор с Лады Ларгус
Стоит отметить, что существуют модификации этого автомобиля, как с кондиционером, так и без него и процесс демонтажа может серьезно отличаться. В первую очередь, необходимо узнать, как снимается.
Как снять конденсор
Для демонтажа этой детали необходимо выполнить несколько действий. Они будут описаны ниже.

Порядок снятия:
- Откачайте фреон из системы кондиционирования.
- Снимите две трубки, подходящие к конденсору. Для этого открутите два болта на 10.
- После снятия трубок, их отверстия и отверстия на снятом конденсоре нужно герметизировать специальными пластиковыми пробками, чтобы исключить попадание воздуха в систему.
- Открутите четыре самореза крепления радиатора кондиционера.
- Демонтируйте деталь, выводя ее вниз.

После этого открывается доступ к основному радиатору охлаждения, снять который уже не составит никаких проблем.
Демонтаж радиатора охлаждения
Для выполнения данной процедуры необходимо заранее запастись новым антифризом, так как это отличный повод его заменить.

Порядок действий:
- Слейте антифриз из системы.
- Открутите крепление бачка ГУР и отведите его в сторону.
- Снимите защиту двигателя.
- Открутите диффузор крепления вентилятора. Демонтируйте вентилятор в сборе.
- Отсоедините от радиатора патрубки системы охлаждения. Для этого зажмите замок хомута и отведите его в сторону. После этого патрубки, слегка покручивая, снимают с трубок теплообменника.
- Открутите верхние крепления теплообменника.
- Потяните радиатор вверх и выведите из зацепления с демпфером.

Внимание! Если передняя часть автомобиля оснащена пластиковыми дефлекторами радиатора, то вытащите 8 пистонов крепления, затем демонтируйте дефлектор. Лишь после этого можно приступать к снятию основной детали.
При заказе радиатора следует учитывать комплектацию. Артикулы радиаторов для авто с кондиционером и без него отличаются:

Дальнейшая сборка радиаторов происходит в обратной последовательности.
Чистка радиаторов Lada Largus
Если радиаторы не имеют дефектов, связанных с разгерметизацией систем, то при длительной эксплуатации имеют свойство накапливать пыль в свободном между ними пространстве.
Замена радиатора охлаждения Рено Сандеро. Замена радиатора охлаждения на Рено Сандеро
Ниже представлена пошаговая инструкция по замене радиатора охлаждения на примере Рено Сандеро Степвей:
- Снимают хомуты с патрубка.

- С обеих сторон вентилятора убирают два фиксатора и выталкивают его вниз.

- Демонтируют воздушный дефлектор на кондиционере, он зафиксирован на двух защелках сверху и снизу.

- Разъединяют радиаторы кондиционера и охлаждения, они зафиксированы между собой защелкой.

- Выталкивают деталь с места посадки.

- Чтобы убрать давление в системе, открывают крышку расширительного бачка.

- Снимают нижний патрубок и полностью сливают антифриз.
- Опускают Рено и отсоединяют верхние шланги и газоотводную трубку, чтобы полностью освободить агрегат, подлежащий замене.

- Узел полностью свободен, его выталкивают вниз или достают сверху, кому как удобно.

Все нижние и верхние опоры, при помощи которых элемент охлаждения устанавливается, резиновые – это отдельные детали, их снимают со старого и ставят на замену.
Устанавливают деталь на место и присоединяют к ней все шланги, патрубки, кондиционер и вентилятор. Ставят все детали предварительно снятые. И заливают в систему антифриз.
При выборе нового предпочтение отдают оригинальной продукции, здесь важны геометрические размеры, потому что на радиатор охлаждения крепится система кондиционера, вентилятор, все крепежные разъемы должны совпадать. Перед покупкой нужно ознакомиться с технической характеристикой конкретной модификации.
На Renault Sandero для замены радиатора берут 214104АА1А № 8200735039 – вариант с кондиционером, без – 214104АА0А 8200735038. Степвей – PATRON PRS3343. Дачия – Valeo 700801.







