Одноконтурное отопление частного дома. Принцип работы одноконтурной системы
- Одноконтурное отопление частного дома. Принцип работы одноконтурной системы
- Однотрубная система отопления двухэтажного дома. Принцип работы однотрубной системы отопления в двухэтажных домах
- Простая система отопления частного дома. Преимущества и недостатки газового отопления
- Однотрубная система отопления с нижней разводкой. Отопление с вертикальными стояками
- Однотрубная система отопления с насосом. Принцип работы
- Двухтрубная система отопления в частном доме. Двухтрубная система
- Однотрубная система отопления диаметр труб. Как выбрать диаметр трубы отопления
Одноконтурное отопление частного дома. Принцип работы одноконтурной системы
Схема одноконтурного отопления, устанавливаемого в частном доме, состоит из таких компонентов:
- котел;
- радиаторы;
- трубы;
- расширительный бачок.
По факту система представляет собой последовательное подсоединение всего вышеупомянутого оборудования. Центральным узлом является котел. Он подогревает воду, которая уже потом поступает по трубам в радиаторы. Проходя все элементы, теплоноситель остывает. Завершается цикл, когда жидкость опять попадает в котел.
Во время проектирования важно помнить, что первый радиатор получит максимальный обогрев. При этом вода, попадая в следующий, будет остывать
В среднем, в последней батарее температура теплоносителя колеблется от 40 до 50 градусов, что не позволяет полноценно прогреть одну комнату.
С этим можно бороться двумя способами:
- повысить теплоотдачу последних радиаторов, увеличив теплоемкость;
- поставить больше температуру нагрева на самом котле.
Важно! Эти способы хоть и кажутся простым решением, тем не менее ведут к увеличению операционных расходов и стоимости в целом.
Также нужного эффекта можно добиться благодаря установке циркуляционного насоса, увеличивающего скорость движения воды. Подобные компоненты питаются от электричества. Они хоть и кажутся отличным решением, при этом в местах, где нередко происходят отключения тока, не являются хорошим вариантом.
Еще один прекрасный выход – разгонный коллектор, который представляет собой высокую прямую трубу. Теплоноситель, выходя из него, разгоняется, что позволяет быстрее преодолевать батареи. При этом высота этого компонента по отношению к верхней точке первого радиатора должна превышать 2,2 метра. В противном случае его установка бессмысленна. Поэтому таким образом лучше обустраивать отопительную систему в двухэтажном доме. Чем выше будет труба – тем эффективнее окажется работа.
На коллектор сверху устанавливается расширительный бачок, с помощью которого осуществляется контроль теплоносителя. При нагреве жидкость увеличивается в объеме. И лишняя как раз попадает в этот бак. После остывания системы – возвращается в нее.
Специфика системы состоит в том, что в ней нет обратки – ей выступает вторая половина всей конструкции. Именно это и является основным отличием многоконтурной системы отопления от одноконтурной в частном доме.
Однотрубная система отопления двухэтажного дома. Принцип работы однотрубной системы отопления в двухэтажных домах
Однотрубная система отопления двухэтажного дома предполагает естественную циркуляцию воды, однако циркуляционный насос отсутствует. На второй этаж горячая вода подается по стояку, потом попадает в нагревательные приборы и перемещается уже по передающим стоякам. В этих стояках теплоноситель охлаждается. Первый этап предполагает установку без наличия байпасов. Такие компоненты, как байпасы, нужны больше всего во время различных ремонтных процедур.

Разводка однотрубного отопления в двухэтажном доме
Если происходит естественная циркуляция теплоносителя (без участия насоса), то перемещение имеет место благодаря тому, что изменяется плотность холодной и горячей воды. Наиболее серьезный недостаток заключается в установке труб большого диаметра вместе с разводкой магистралей находящихся под уклоном. Это выглядит очень неэстетично и может испортить весь интерьер. Наилучшим вариантом будет независимость от электросети.
Если сравнивать однотрубное отопление двухэтажного дома с двухтрубным, то первое обладает многими преимуществами. В первую очередь, посредством однотрубной системы можно охватить весь внутренний периметр дома и внешние стены посредством одного кольца замкнутого типа. Это можно сделать независимо от того, какая планировка в помещении.

Однотрубное отопление в частном доме
Суть такой системы заключается в том, что от котла идет только одна труба для подачи тепла. Эта труба проходит по всему периметру здания и поворачивает в ту сторону, где у котла находится обратка. Если есть необходимость, к трубе подачи можно подключить радиаторы отопления или отвести трубы с системой под названием «теплый пол». Для того чтобы произвести установку циркуляционного насоса или полотенцесушителя, не нужно много усилий.
Простая система отопления частного дома. Преимущества и недостатки газового отопления
Использование газа в качестве отопления обладает массой преимуществ:
- Стоимость. Газовое отопление выгодно благодаря лучшему соотношению цены и КПД по сравнению с другими видами топлива.
- Безопасность. Благодаря автоматике отпадает необходимость постоянного внимания к процессу. За работой следят датчики, задача хозяев — регулировка температуры в доме.
- Размеры. Газовый котел имеет небольшие габариты, что позволяет расположить его в небольшой комнате. Помещение для хранения топлива не нужно (что не скажешь о дровах, угле или солярке).
- Экономичность. Современные газовые котлы способны обогревать большие площади; некоторые модели (двухконтурные) дополнительно поставляют горячую воду.
- Независимость. Газгольдер позволяет домохозяйству не зависеть от коммунальных служб.
- Экологичность. Топливо хранится в газгольдере, продукты горения уходят через дымоход (не надо выгребать золу, отсутствует неприятный запах).
Отопление дома газом имеет некоторые отрицательные моменты:
- Установку котельного оборудования, работающего на природном газе, согласовывают со службой Газтехнадзора, что сопровождается составлением проекта, договора и сбором разрешающих документов (лицензий).
- Для безопасной работы системы необходимо отдельное помещение с хорошей вентиляцией, отдельным выходом на улицу и дымоходом. Также необходима автоматика, отслеживающая утечки газа. Системы с открытой (атмосферной) горелкой потенциально пожароопасны.
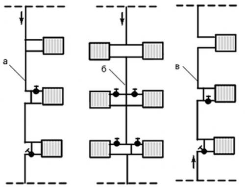
Однотрубная система отопления с нижней разводкой. Отопление с вертикальными стояками
Выше были рассмотрены возможные схемы с горизонтальной разводкой. Но для построек с несколькими этажами существуют и более рациональные варианты однотрубного отопления – вертикальные. Оборудование в них используется идентичное горизонтальным, разница только в конфигурации контура и его разводке.
Принцип действия схемы однотрубной системы отопления с верхней разводкой заключается в следующем: нагретая вода из котла поднимается по вертикальному стояку, где по распределительному трубопроводу поступает в вертикальные стояки и радиаторы. После охлаждения она возвращается в теплогенератор. Такая СО может оснащаться расширительным баком как открытого, так и закрытого типа. Движение воды по трубопроводу обеспечивает циркуляционный насос.
Существует три вида вертикальных стояков с верхней разводкой, которые различаются способом присоединения батарей:
А. Вертикальный стояк с односторонним присоединением радиаторов.
Б. Стояк с двухсторонним подключением батарей.
В. Стояк с опрокинутой циркуляцией.
Основным недостатком верхней разводки являются потери тепла при подаче воды к батареям.
На рисунке выше показана схема однотрубной системы отопления с нижней разводкой. Подающая и обратная ветка отопительного контура прокладывается в подвале или под полом первого этажа. Нагретый теплоноситель поступает из магистрали непосредственно в вертикальные стояки с радиаторами. Достоинство данной системы в том, что отсутствует выход трубопровода в чердачное помещение, а значит и минимизируются потери тепла при доставке теплоносителя к потребителю.
Однотрубная система отопления с насосом. Принцип работы
Функционирование однотрубной магистрали осуществляется путём постоянной циркуляции теплоносителя по веткам системы. По мере перемещения от котла к радиаторам он отдаёт тепло и обогревает помещение, а затем возвращается в изначальный резервуар для повторения цикла.


В качестве теплоносителя может выступать пар, антифриз, воздух или вода. Последний вариант является наиболее распространённым.
Принцип действия классической системы отопления состоит из нескольких этапов:
- Котёл подогревает жидкость, от чего она расширяется и образует давление в трубах.
- Плотность теплоносителя уменьшается, и он теряет в весе.
- Холодная и более тяжеловесная вода подталкивает нагретую жидкость вверх. Для обеспечения этого процесса, идущие от котла патрубки, всегда устанавливаются по направлению вверх.
- Под влиянием образовавшегося давления, тяжести и конвекции жидкость поступает к батареям, разогревает их.
- Остывая, теплоноситель возвращается к источнику нагрева, повторяя процесс.
В самотечных отопительных системах необходим определённый угол наклона ответвлений, идущих по горизонтали (на 1 погонный метр — 2-3 мм), чтобы обеспечить стабильное движение потока.
Нагрев воды повышает её объём, от чего в системе создаётся гидравлический напор. Но даже небольшое увеличение давления сверх нормы из-за отсутствия сжатия жидкости может вызвать поломку трубопровода. Для компенсации напора в таких схемах монтируется специальный расширительный бак.
Двухтрубная система отопления в частном доме. Двухтрубная система
Эта разновидность отличается наличием подающего и обратного контура. Двухтрубная система отопления частного дома из полипропилена своими руками монтируется при использовании большого количества трубопроводов, арматурных элементов. Приходится также применять много расходных материалов. Из-за этого на монтаж тратится больше времени. Приходится также увеличивать бюджет.
Пример схемы двухтрубной системы
Источник design-ceiling.ru
Несмотря на дороговизну, у двухтрубного теплового контура имеется ряд существенных преимуществ:
- небольшие потери давления;
- равномерный прогрев здания;
- возможность ремонта отдельного отопительного прибора без отключения других радиаторов;
- регулировка температуры каждой из подключенных батарей;
- возможность подсоединения отопительных приборов с боковым или нижним подключением;
- маленькая вероятность разморозки.
Часто выполняется именно монтаж двухтрубного тупикового отопления в частном доме своими руками из полипропилена, схема которого подразумевает движение теплоносителя в противоположных направлениях по подаче и обратке. При этом существует вертикальный и горизонтальный вариант данного теплового контура.
В первом случае отопительные приборы подключаются к стояку. Из-за этого циркуляционные кольца имеют разную длину. Поэтому происходит неравномерное перемещение нагретой воды. Этот вариант реализуется в домах с двумя или тремя этажами.
Горизонтальная тупиковая схема с нижней разводкой проще монтируется. Это классический вариант. Ее реализуют в домах с одним этажом и небольшой площадью.
Пример тупиковой и попутной схемы отопления
Источник makipa.ru
Разновидностью двухтрубной системы является коллекторное отопление с гребенками на подаче и обратке. Отличительная черта такой схемы – отдельное подключение всех радиаторов. Другими словами, к каждому отопительному прибору прокладывается свой подающий и обратный трубопровод. Для раздачи и сбора теплоносителя используются именно коллекторы. На число подключаемых к гребенкам контуров влияет количество батарей в доме.
Однотрубная система отопления диаметр труб. Как выбрать диаметр трубы отопления
Точно рассчитать, какого сечения трубы вам нужны, не получится. Придется выбирать из нескольких вариантов. А все потому, что добиться одинакового эффекта можно разными способами.
Поясним. Нам важно доставить к радиаторам нужное количество тепла и добиться при этом равномерного нагрева радиаторов. В системах с принудительной циркуляцией делаем мы это при помощи труб, теплоносителя и насоса. В принципе все, что нам нужно, — это за определенный промежуток времени «прогнать» определенное количество теплоносителя. Тут есть два варианта: поставить трубы меньшего диаметра и подавать теплоноситель с большей скоростью, или сделать систему большего сечения, но с меньшей интенсивностью движения. Обычно выбирают первый вариант. И вот почему:
- стоимость изделий меньшего диаметра ниже;
- с ними работать легче;
- при открытой прокладке они не так привлекают внимания, а при укладке в пол или стены требуется меньшие по размерам штробы;
- при небольшом диаметре в системе находится меньше теплоносителя, что снижает ее инерционность и ведет к экономии топлива.

Расчет диаметра медных труб отопления в зависимости от мощности радиаторов
Так как есть определенный набор диаметров и определенное количество тепла, которое по ним нужно доставить, каждый раз считать одно и то же — неразумно. Потому были разработаны специальные таблицы, по которым в зависимости от требуемого количества тепла, скорости движения теплоносителя и температурных показателей работы системы, определяется возможный размер. То есть для определения сечения труб в системе отопления находите нужную таблицу и по ней подбираете подходящее сечение.
Расчет диаметра труб для отопления производился по такой формуле (при желании можете посчитать). Затем рассчитанные значения записывались в таблицу.

Формула расчета диаметра трубы отопления
Где:
D — искомый диаметр трубопровода, мм
∆t° — дельта температур (разница подачи и обратки), °С
Q — нагрузка на данный участок системы, кВт — определенное нами количество тепла, необходимое на обогрев помещения
V — скорость теплоносителя, м/с — выбирается из определенного диапазона.
В системах индивидуального отопления скорость движения теплоносителя может быть от 0,2 м/с до 1,5 м/с. По опыту эксплуатации известно, что оптимальная скорость находится в пределах 0,3 м/с — 0,7 м/с. Если теплоноситель движется медленнее, возникают воздушные пробки, если быстрее — сильно возрастает уровень шумов. Оптимальный диапазон скоростей и выбирают в таблице. Таблицы разработаны для разных видов труб: металлических, полипропиленовых, металлопластиковых, медных. Рассчитаны значения для стандартных режимов работы: с высокими и средними температурами. Чтобы процесс подбора был более понятен, разберем конкретные примеры.
Точно рассчитать, какого сечения труб вам нужно, не получится. Придется выбирать из нескольких вариантов. А все потому, что добиться одинакового эффекта можно разными способами.
Нам важно доставить к радиаторам нужное количество тепла и добиться при этом равномерного нагрева радиаторов. В системах с принудительной циркуляцией делаем мы это при помощи труб, теплоносителя и насоса. В принципе все, что нам нужно, — это за определенный промежуток времени «прогнать» определенное количество теплоносителя. Тут есть два варианта: поставить трубы меньшего диаметра и подавать теплоноситель с большей скоростью, или сделать систему большего сечения, но с меньшей интенсивностью движения. Обычно выбирают первый вариант. И вот почему:
Расчет диаметра медных труб отопления в зависимости от мощности радиаторов
Так как есть определенный набор диаметров и определенное количество тепла, которое по ним нужно доставить, каждый раз считать одно и то же — неразумно. Потому были разработаны специальные таблицы, по которым в зависимости от требуемого количества тепла, скорости движения теплоносителя и температурных показателей работы системы, определяется возможный размер. То есть для определения сечения труб в системе отопления находите нужную таблицу и по ней подбираете подходящее сечение.
Расчет диаметра труб для отопления производился по такой формуле:
| Параметры | Значения |
|---|---|
| Мощность радиатора, кВт | ... |
| Скорость движения теплоносителя, м/с | ... |
| Температура теплоносителя, °С | ... |
Затем рассчитанные значения записывались в таблицу.
